
发卖:19224886408
发卖:17346546283
匠人:18611287598
网络传真:010-68465926
Q Q:3226344213
邮件地址:info@sztxjj.cn
场所:南京市海淀区大慧寺11号北区20号楼两层105室


一、概述:
HMLDM-DM20HT-PN型地温激光手术测距仪特别用以地温无水硫酸铜、透明液体的身份、规格、的高度的勘界。途经步骤profinet流量体例将数据文件传送为本位机器系。● 丈量低温物体,能坚持很高(gao)的丈量精度和靠得住(zhu)性
● 丈量精度<±1mm,分辩率0.1mm,反复性±0.5mm
● 利(li)用(yong)白色可见激光束,丈量(liang)规模(mo)可达30米
● 规范的profinet接口,矫(jiao)捷靠得住
● 不(bu)锈钢外壳,可(ke)通水(shui)、气停止冷(leng)却(que)
二、手艺数据:
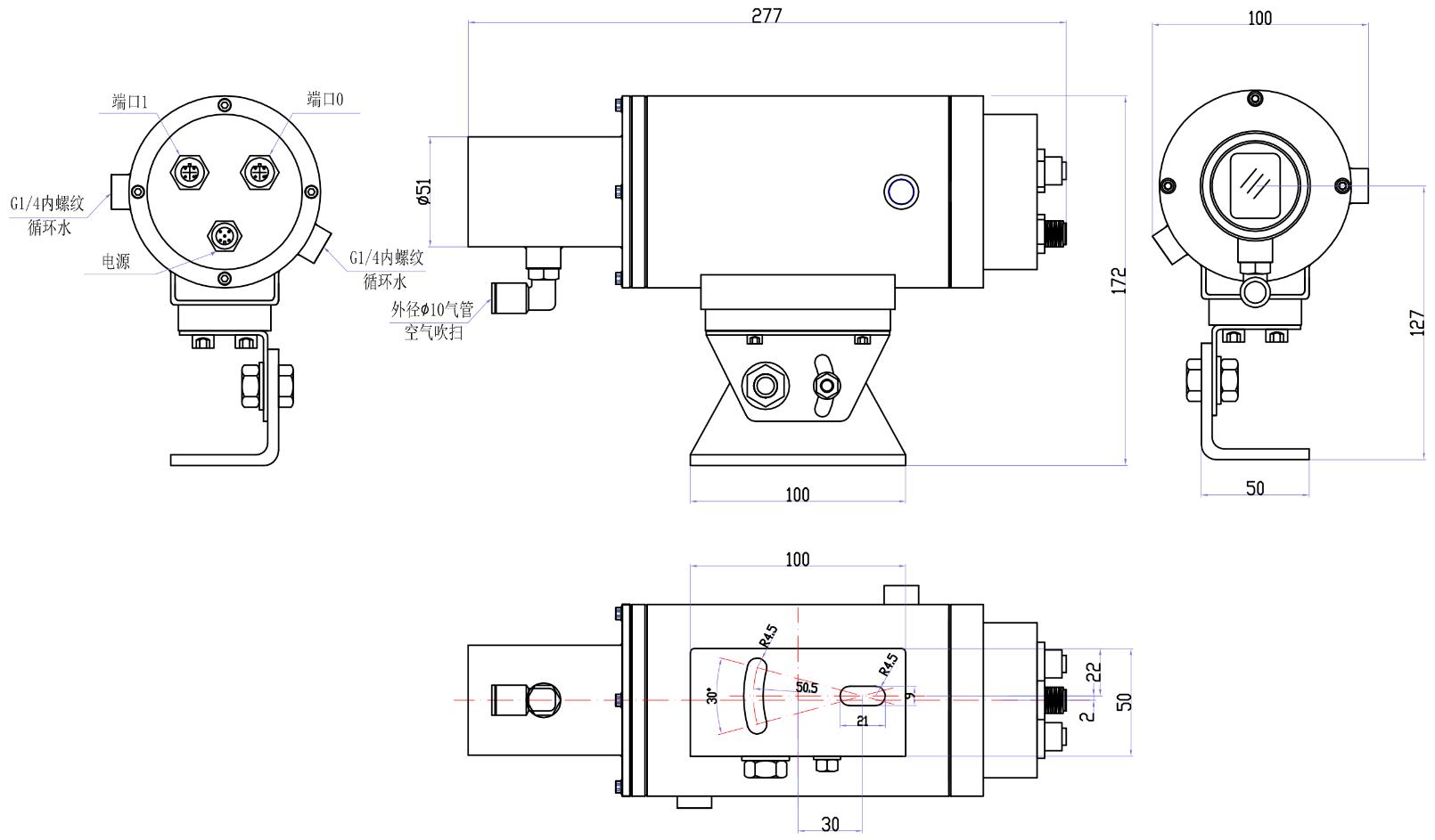
三、形状尺寸:
四、可选附件:



